View Mcculloch Power Mac 310 Parts Diagram Pictures

View Mcculloch Power Mac 310 Parts Diagram Pictures. Chainsaw mcculloch ms1635av illustrated parts list. Request any owner's manual, instructions book, user's guide, service manual, schematics, parts list.

Parts For Mcculloch Page 36 Randy S Engine Repair
Parts For Mcculloch Page 36 Randy S Engine Repair from cdn.shopify.com
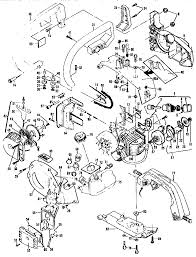
Exploded views allow to identify all the part numbers and associated parts with the product in case they need to be replaced. June 1987 contents the policy of mcculloch corporation is one of. Mcculloch 320 chainsaw parts diagram.

Find many great new & used options and get the best deals for mcculloch power mac chainsaw 310 320 330 340 owners manual operation maintenance at customer support.

Pro mac 605, 610, 650 and eager beaver 3.7 chain saws. Like most chain saws, it has three carburetor adjustment screws, and chances are good that they need adjusting. I have the parts list and diagram but the manual is nowhere to be found. And engineering advancement wherever possible to.