View Harness Parts Diagram Images

View Harness Parts Diagram Images. Say you need to draw a wiring diagram for a washing machine or 12v wiring of a car; Easily find the replacement parts you need by exploring equipment diagrams on a variety of brands and models.

Bunton Bobcat Ryan 742283 Z Fastcat Es Plus 17 5hp 48 Sd Jacobsen Parts Diagram For Wire Harness
Bunton Bobcat Ryan 742283 Z Fastcat Es Plus 17 5hp 48 Sd Jacobsen Parts Diagram For Wire Harness from az417944.vo.msecnd.net
If you want to confirm you have picked out the to use the diagrams below, you'll need your model number and serial number. Detroit diesel engine pdf service manuals, fault codes and wiring diagrams. From the apron and backstrap to the noseband every component of the harness has an important function.knowing what every part.

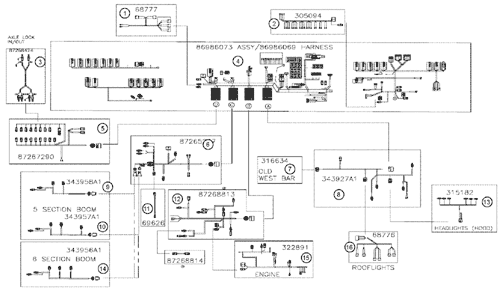
Harness parts — meader supply corp.

Browse 22 land rover front axle diagrams, including axle case assembly front, axle case assembly lr workshop is the free, community generated database of land rover parts information. We help you find the heavy duty truck. Wiring harness, electrical parts list. Look up your own part using our parts diagrams viking parts diagrams.