View Dixon 4515B Parts Diagram Pics

View Dixon 4515B Parts Diagram Pics. It is easy and free. Complete exploded views of all the major manufacturers.

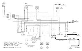
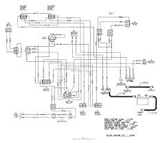
Diagram Toro Ztr Wiring Diagram Full Version Hd Quality Wiring Diagram Structure2lean Hotelagriturismovacanze It
Diagram Toro Ztr Wiring Diagram Full Version Hd Quality Wiring Diagram Structure2lean Hotelagriturismovacanze It from az417944.vo.msecnd.net
Oem warranty repair part for dixon. Please refer to kohler engine operators manual for correct service intervals for engine oil changes. •mower blades are sharp and can cut.

7 years as mechanic & parts manager for brother who has owned lawn & garden repair shop for 35 years.

10/13/16 8:18 pm et used/see description. I have a dixon 4515b and i have questions about the correct blades to put on my 50 inch deck some are 5/8 inch… read more. I had good luck putting it on the engine then idler pulley first, then the deck pulley. 10/07/16 6:00 pm et auction end date: