View Ac Generator Diagram Parts Pictures

View Ac Generator Diagram Parts Pictures. Ac generators are widely used to produce ac voltage. From flipping a switch to heating a snack in the microwave, electricity is everywhere.

Generators And Transformers Definition Types Working Principle
Generators And Transformers Definition Types Working Principle from cdn1.byjus.com
Yes choose your manufacturer below. Wiring diagrams and electrical physical drawings were issued for the demineralized water, raw water, instrument and service air systems, mwk feedwater system. It mainly consists of three main parts, i.e.

It mainly consists of three main parts, i.e.

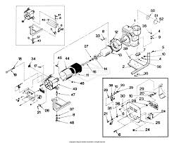
Parts lookup from jacks small engines. Magnetic field system, armature and commutator and brush gear. Current which constantly changes direction. It focuses on the working principles and components used in it.