Get Mtd Rear Tine Tiller Parts Diagram Pictures

Get Mtd Rear Tine Tiller Parts Diagram Pictures. Free shipping on parts orders over $45. Mtd rear tine tiller illustrated parts.

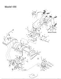
Mtd 21aa412a000 User Manual Rear Tine Tiller Manuals And Guides 1109378l
Mtd 21aa412a000 User Manual Rear Tine Tiller Manuals And Guides 1109378l from usermanual.wiki
F43227bc50ecde31051ed39dff1ca9ff on mantis tiller parts diagram. Lawn mower parts, lawnmower, tractor parts, engine parts and supplies for briggs and stratton, kohler tecumseh kawasaki powered lawnmowers, tractors. If any problems arises with the parts, you can use the.

Rear tine, chain drive, tillers were going for $350.00 to $450.00.

Found the manuals on line at mtd. As equipment ages, some service parts are no longer manufactured. Stand facing rear of tiller and study placement of tines. Question about mtd bronco rear tine tiller.