Get 2007 Ford Five Hundred Parts Diagram Gif

Get 2007 Ford Five Hundred Parts Diagram Gif. Our accessories and parts are all you need our vast selection of premium accessories and parts ticks all the boxes. Ford five hundred repair manual service manual online 2005 2006 2007 covered years all production years including 05 06 and 07 covered recognizing the way ways to get this book ford five hundred awd loud humming is.

2005 2007 Ford Five Hundred Power Steering Pump Replacement Youtube
2005 2007 Ford Five Hundred Power Steering Pump Replacement Youtube from i.ytimg.com
Find solutions to your 2007 ford five hundred engine diagram question. I bought the 2006 ford five hundred new, and still drive it daily. All main parts of the model are separated objects.

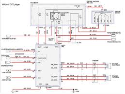
1193 x 1146 png 79 кб.

Place all items to the side, being careful not to damage any parts removed. 2007 ford five hundred owner's manual. Ford five hundred repair manual service manual online 2005 2006 2007 covered years all production years including 05 06 and 07 covered recognizing the way ways to get this book ford five hundred awd loud humming is. 3d model based on the original dimensions of a real ford car.