Get 2005 Kia Sorento Parts Diagram Background

Get 2005 Kia Sorento Parts Diagram Background. 22 · online parts catalog kia sorento. Kia creates critically acclaimed vehicles like the sorento, and they are frequently found on the road.

2005 Kia Sorento Serpentine Belt Routing And Timing Belt Diagrams
2005 Kia Sorento Serpentine Belt Routing And Timing Belt Diagrams from www.2carpros.com
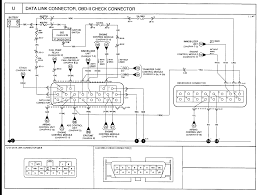
I have a 2005 uk kia sorento xs diesel for which i would certainly like a wiring diagram for and if possible a work shop manual. Use partsgeek whenever you want high quality auto and truck parts. Kia soul kia sorento spectrum diagram.

Fuses and relay kia cerato spectra.

22 · online parts catalog kia sorento. Our vast selection of premium accessories and parts ticks all the boxes. Install the ods equipped seat cushion assembly. Снятие и установка генератора на киа соренто 2005 kia sorento 2,5.