Download Mtd Deck Parts Diagram PNG

Download Mtd Deck Parts Diagram PNG. Briggs and stratton parts diagrams. Loosen the idler pulley rods to remove the old belt, and inspect the new.

Craftsman 42 Inch Mower Deck Belt Diagram Deck Lawn Tractor Craftsman Riding Lawn Mower
Craftsman 42 Inch Mower Deck Belt Diagram Deck Lawn Tractor Craftsman Riding Lawn Mower from i.pinimg.com
Fully illustrated from multiple angles. The diagram(s) below can help you find the right part. On this page, you can also find any manuals, installation guides and error.

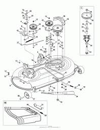
The above belt diagram for an mtd riding mower is only for a 46 deck belt, if you have a different belt, you may want a different frame of reference.

To view the parts diagram, please login or sign up. Illustrated parts diagrams by manufacturer. Call center open (from home) and warehouse shipping to all 50 states (with some usps/ups/fedex delays) learn more >. Here are the repair parts and diagrams for your mtd 608 lawn tractor.