Download Husky 8 Gallon Air Compressor Parts Diagram PNG

Download Husky 8 Gallon Air Compressor Parts Diagram PNG. Genuine campbell hausfeld replacement part, this item is sold individually. We appreciate the trust and confidence you have placed in husky through the purchase of this 4 gallon oil free portable stack tank air compressor.

Husky Ta2530b Repair Parts Air Compressor Parts Online
Husky Ta2530b Repair Parts Air Compressor Parts Online from aircompressorpartsonline.com
Use our interactive diagrams, accessories, and expert repair help to fix your husky air compressor. Replacement parts for atlas copco reciprocating air compressor. Observe the following simple instructions and you will get many years' service from your compressor.

What do husky air compressors and home depot stores have in common?

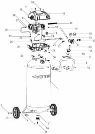
Husky air compressor parts that fit, straight from the manufacturer. Genuine campbell hausfeld replacement part, this item is sold individually. Powerful motors and precision pumps in. Service parts (continued) parts table par t 1 2 3 4 5 6 7 8 9 10 11 12 13 14 15 16 17 18 19 20 21 description head bolt, m80×105 washer, lock 8 mm cylinder 3×6 mm valve, reed, inlet gasket, cylinder upper piston cylinder gasket, cylinder lower ring, compression ring, scraper pin, piston dia.