Download Dpc7331 Parts Diagram Pictures

Download Dpc7331 Parts Diagram Pictures. Service, spare parts and guarantee. Complete exploded views of all the major manufacturers.

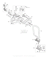
Makita Dpc7331 Parts List Makita Dpc7331 Repair Parts Oem Parts With Schematic Diagram
Makita Dpc7331 Parts List Makita Dpc7331 Repair Parts Oem Parts With Schematic Diagram from media.repairtoolparts.com
Free download of your makita dpc7331 user manual. Specifications subject to change without notice form: Piston, rings, wrist pin, cir clips replaces oem part:

Find many great new & used options and get the best deals for makita dpc 7301 7310 7311 7321 7331 recoil starter at the best online prices at ebay!

Skip to the beginning of the images gallery. Piston, rings, wrist pin, cir clips replaces oem part: Katalogs ieeja par uzņēmumu kontaktinformācija. .dpc7300, dpc7301, dpc7310, dpc7311, dpc7320, dpc7321 and dpc7331 cylinder kit chainsaws for sale stihl chainsaw oem parts lawn and garden home depot power tools ebay oem parts outdoor power equipment kit chainsaw power tools lawn image link gardening patio.