50+ Ys4500 Parts Diagram Images

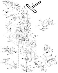
50+ Ys4500 Parts Diagram Images. Thought the spindle finally bit the dust (it did, but not like i thought). We are slowly starting to add sears craftsman owners to the guide on our website.

Diagram Craftsman Dls 3500 Wiring Diagram Full Version Hd Quality Wiring Diagram Diagrameat Scacchiruta It
Diagram Craftsman Dls 3500 Wiring Diagram Full Version Hd Quality Wiring Diagram Diagrameat Scacchiruta It from tse2.mm.bing.net
Wiring diagram for craftsman riding mower 26 hp marketplace 26 only 26 in store. Model number is 3 digits then a period, then more numbers. The ys being the lightest duty of the three could be compared to the older lt series.

Wiring diagram for craftsman riding mower 26 hp marketplace 26 only 26 in store.

We are slowly starting to add sears craftsman owners to the guide on our website. Lihan parts store 42 clutch cable for craftsman lt1000 dlt lawn tractor rider mower deck fits new. I have a craftsman ys4500 (917.27660) tractor and have been having some drive problems recently. A wide variety of suspension parts diagram options are available to you, such as farms, building material shops, and machinery repair shops.