43+ Honda Rebel 250 Parts Diagram Gif

43+ Honda Rebel 250 Parts Diagram Gif. Manual covers all the topics like: Honda cmx250c rebel cmx250 cmx 250 this is the same manual motorcycle dealerships use to repair your bike.

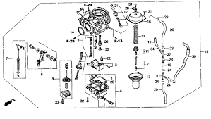
Honda Rebel 250 Carburetor Diagram Honda Rebel Forum
Honda Rebel 250 Carburetor Diagram Honda Rebel Forum from www.hondarebelforum.com
I have both needle jet parts labeled as part 2, and i've reinstalled the tube part into the hole below the needle jet holder (part a forum community dedicated to honda rebel motorcycle owners and enthusiasts. Displaying parts for your 2000 honda rebel 250c cmx250c. Rebel 250 motorcycle pdf manual download.

Probably needs to come off, get scrubbed clean, and lubed with a bit of grease.

No wonder the rebel has long been one of our best selling bikes. For honda rebel 250 parts carburetor rebuild. Honda cmx 250 rebel oem parts | partzilla we've made finding the 2002 honda rebel parts you need as easy as possible. Shop the best 2016 honda rebel 250 cmx250c parts & accessories for your motorcycle at j&p cycles.