34+ Ithaca Shotgun Parts Diagram Images

34+ Ithaca Shotgun Parts Diagram Images. Bob's gun shop many obsolete ithica models. Mention ithaca shotguns today and most people think immediately of the model 37 pump action, one of ithaca's most successful and reliable shotguns and the only model still in production today by ithaca gun co., now of ohio.

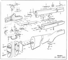
Ithica Gun Parts Bob S Gun Shop Many Obsolete Ithica Models
Ithica Gun Parts Bob S Gun Shop Many Obsolete Ithica Models from gun-parts.com
Fast shipping & great reviews! Gloryfire gun cleaning mat gun mat double thickness cleaning mat sized 12x36 inches for handgun shotgun rifle cleaning. Snyder and is copyrighted in his name.

Scopes and mounts ithaca tactical shotgun model 37 defense gun accessories.

Snyder and is copyrighted in his name. The number of operating parts was kept to a minimum and they were lightened where possible. We have a large selection of internal parts for your airsoft gun, and are prices are hard to beat! Scopes and mounts ithaca tactical shotgun model 37 defense gun accessories.