24+ Fn250B Parts Diagram Pics

24+ Fn250B Parts Diagram Pics. This is evident with the slimmed down, smooth body, which shaved almost 2 ounces off the weight of the tool. Use our part lists, interactive diagrams, accessories and expert repair advice to make your repairs easy.

How To Install An Overhaul Kit On A Porter Cable Nail Gun Youtube
How To Install An Overhaul Kit On A Porter Cable Nail Gun Youtube from i.ytimg.com
The diagram(s) below can help you find the right part. If you have any problems with repair of your gearbox our site will help you with information. You need to make sure your bike's carburetor is in working order to achieve maximum performance, so pick up a 2001 yamaha yz250f yz250fn carburetor from bikebandit.com.

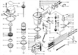
Fn250a, us58 upholstery, us585 upholstery, fn250b uge, fr350mag magnesium.

If you'd like help, we invite you to call our customer service number at the top of the page, or click chat. You'll receive email and feed alerts when new items arrive. Porter cable fn250b 16 gauge finish nailer parts. This new fn250b is a complete redesign from the ground up.