20+ Kubota Rtv900 Parts Diagram Pictures

20+ Kubota Rtv900 Parts Diagram Pictures. Page 1 workshop manual utility vehicle rtv900 kisc issued 04, 2006 a. Extensive diagrams and resources for kubota equipment.

Diagram Kubota Rtv Engine Diagram Full Version Hd Quality Engine Diagram Iamwiring9 Greensoundfestival It
Diagram Kubota Rtv Engine Diagram Full Version Hd Quality Engine Diagram Iamwiring9 Greensoundfestival It from i0.wp.com
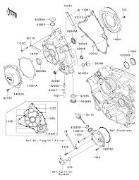
All states ag parts has used parts available from the following rvt900 utvs. Related products for kubota spare parts catalog kubota engines is a catalog of original spare parts that consists of a comprehensive directory containing full. There are different variants of the rtv900, see f.a.q.

See all formats and editions hide other formats and editions.

Subject edit subject full name kubota.form.fullname.edit address edit address city edit city postal code edit postal code your email address edit your email address phone number (optional) edit phone number. Kubota rtv900 parts catalogs & information. 31) for free in pdf. When buying any parts for a kubota tv 900, it can be really useful to have a diagram of where the parts fit and what place that should be installed.