11+ Husqvarna Rz4824F Parts Diagram Pictures

11+ Husqvarna Rz4824F Parts Diagram Pictures. Engine transmission manufacturing number the. Jumper cables.28 running.29 operating on hills.30 mowing tips.31 stopping the engine.32 manual transport.33 maintenance.34 maintenance schedule.34 battery.36 safety system.37 fuel pump air filter.

Rz4824f Husqvarna Ztr Mowers Decals
Rz4824f Husqvarna Ztr Mowers Decals from www.ahupd.com
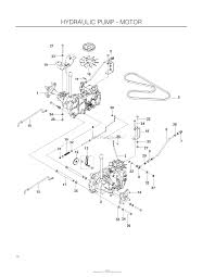
Use our part lists, interactive diagrams, accessories and expert repair advice to make your repairs easy. It reveals the components of the circuit as streamlined. Summary of contents for husqvarna rz4824f.

This manual for husqvarna rz4621, given in the pdf format, is available for free online viewing and download without logging on.

How does one get under a husqvarna rz4824f to change the mower blades? It reveals the components of the circuit as streamlined. Jumper cables.28 running.29 operating on hills.30 mowing tips.31 stopping the engine.32 manual transport.33 maintenance.34 maintenance schedule.34 battery.36 safety system.37 fuel pump air filter. 28982, rz4621, rz4222f, rz4824f, rz4623, rz4621 ca.